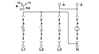
Descargador de corrientes de rayo / sobretensiones enchufable universal equipado con varistores para redes trifásicas de alimentación de corriente con N y PE separadas (sistema de 5 conductores: L1, L2, L3, N, PE) para las clases de protección contra rayo

https://e2-neored.adhoc.ar/web/image/product.template/52656/image_1920?unique=8324038
(0 reseña)

4.585.822,63 4585822.63 ARS 4.585.822,63

3.609.462,91

Precio Sin Impuestos Nacionales 3.789.936,06

No está disponible para venta

    Esta combinación no existe.

    Términos y condiciones
    Garantía de devolución de 30 días
    Envío: 2-3 días laborales